TOYOTA Land Cruiser 300 2021--

750 руб.
Быстрый заказ

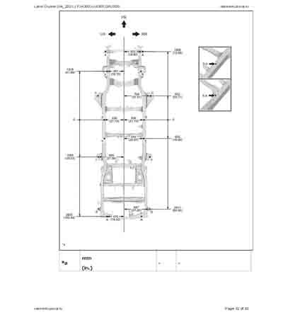
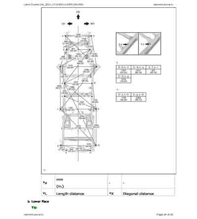
Контрольные кузовные размеры:
- Из официального руководства по ремонту кузова TOYOTA Land Cruiser (04_2021-) (FJA300,VJA300,GRJ300), в том числе диагональные размеры проемов.
Файл Land_Cruiser_300_2021--.pdf

Обратите внимание: все файлы многостраничные.
В галереи товара представлены эскизы изображений уменьшенного объема.
Покупателю высылаются PDF файлы исходного качества.