SUBARU Outback (BR) 2009-2014

750 руб.
Быстрый заказ

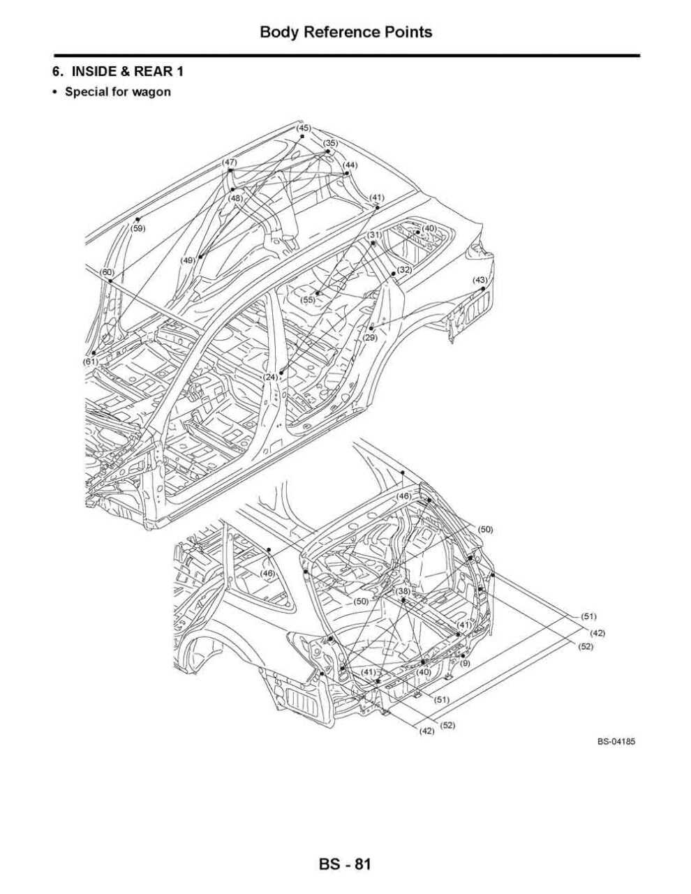
Контрольные кузовные размеры:
- Из заводского руководства по ремонту кузова SUBARU Outback (BR) 2009-2014, в том числе размеры проемов. Дополнительно приведены величины допустимых зазоров кузовных панелей.
Файл SUBARU_Legacy_(BM),_Outback_(BR)_2009-2014.pdf

- Размеры кузова SUBARU Outback (BR) 2009-2014, как проекционные, так и непосредственного измерения, в том числе диагональные размеры проемов кузова.
Файл 2010_SUBARU_Outback__Wagon__AWD.pdfSUBARU_Outback_(BR)_2009-2014.pdf

Обратите внимание: все файлы многостраничные.
В галереи товара представлены эскизы изображений уменьшенного объема.
Покупателю высылаются PDF файлы исходного качества.