SSANGYONG Actyon 2005-2011, Nomad 2013--

750 руб.
Быстрый заказ

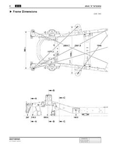
Контрольные кузовные размеры:
- Из заводского руководства по ремонту кузова SSANGYONG Actyon 2005-2011, Nomad 2013-, в том числе диагональные размеры проемов кузова.
Файлы
SsangYong_Actyon_2006-brm.pdf
SsangYong_Actyon_2008-brm.pdf

Обратите внимание: все файлы многостраничные.
В галереи товара представлены эскизы изображений уменьшенного объема.
Покупателю высылаются PDF файлы исходного качества.