RENAULT Clio 2 1998-2005

750 руб.
Быстрый заказ

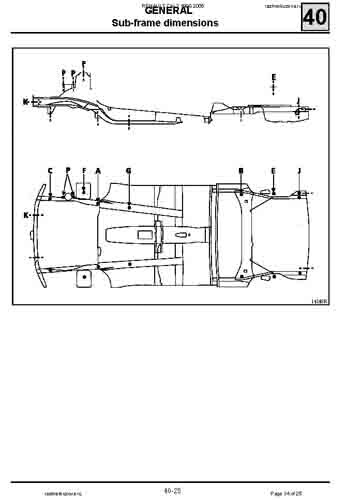
Контрольные кузовные размеры RENAULT Clio 2 1998-2001-2005:
- Из заводского руководства по ремонту кузова. Дополнительно даны значения допустимых зазоров кузовных панелей.
Файлы
Renault_Clio_(EU)_(MR-338)_EN_1997-.pdf
RENAULT_Clio_2002--_(MR-359)_RU.pdf
Обратите внимание. Даны только СПРАВОЧНЫЕ РАЗМЕРЫ ДЛЯ ПРОВЕРКИ НЕСУЩЕГО ОСНОВАНИЯ КУЗОВА - вид снизу. ДИАГОНАЛЬНЫХ РАЗМЕРОВ НЕТ. РАЗМЕРОВ МОТОРНОГО ОТСЕКА СВЕРХУ НЕТ.

- Проекционные размеры с привязкой к стапелю из различных стапельных баз.
Файлы
CLIO_3-DOOR_2001-2005.PDF
CLIO_5-DOOR_2001-2005.PDF
CLIO_II_3-DOOR_1998-2001.PDF
CLIO_II_5-DOOR_1998-2001.PDF
Clio_2_1.2_3DR_1998--.pdf
Clio_2_1.2_5DR_1998--.pdf
Clio_2_1.4_3DR_1998--.pdf
Clio_2_1.4_5DR_1998--.pdf
Clio_2_1.9D_3DR_1998--.pdf
Clio_2_1.9D_5DR_1998--.pdf
Clio_2_4DR_2000.pdf

В галереи товара представлены эскизы изображений уменьшенного объема.
Покупателю высылаются PDF файлы исходного качества.