OPEL Zafira A 1999-2005

750 руб.
Быстрый заказ

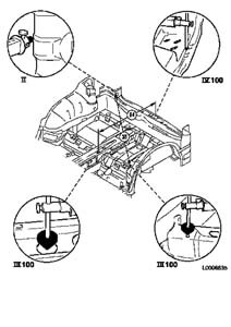
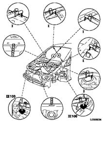
Контрольные кузовные размеры OPEL Zafira A 1999-2005:
- Из заводского руководства по ремонту кузова, в том числе диагональные размеры проемов кузова.
Файл Opel_Zafira_A_TIS.pdf

- Проекционные размеры с привязкой к стапелю.
Файлы
Opel_Zafira_A_1999-stapel.PDF
Opel_Zafira_A_1999_frame.PDF

Обратите внимание: все файлы многостраничные.
В галереи товара представлены эскизы изображений уменьшенного объема.
Покупателю высылаются PDF файлы исходного качества.