OPEL Frontera B 1998-2005, HONDA Passport, ISUZU Rodeo, Amigo

750 руб.
Быстрый заказ

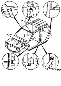
Контрольные кузовные размеры для 3-х и 5-ти дверных моделей OPEL Frontera B 1998-2005:
- Из заводского руководства по ремонту кузова ОПЕЛЬ Фронтера, в том числе диагональные размеры проемов кузова.
Файл Opel_Frontera_B_TIS.pdf

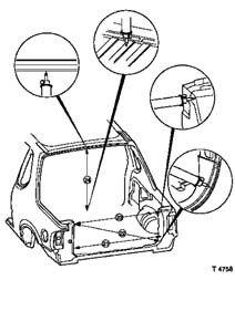
- Проекционные размеры с привязкой к стапелю.
Файл Opel_Frontera_1998-stapel.PDF

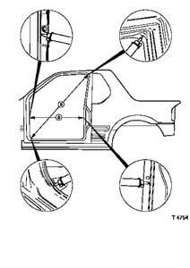
-Автомобиль продавался в разных странах под именами HONDA Passport 1998-2002 и ISUZU Rodeo/Amigo 1998-2004.
Размеры как проекционные, так и непосредственного измерения, в том числе диагональные размеры проемов кузова.
Файлы
2000_ISUZU_Amigo__2DR__4WD.pdf
2000_ISUZU_Rodeo__4DR__4WD.pdf

Обратите внимание: все файлы многостраничные.
В галереи товара представлены эскизы изображений уменьшенного объема.
Покупателю высылаются PDF файлы исходного качества.