NISSAN X Trail (T30) 2001-2007

750 руб.
Быстрый заказ

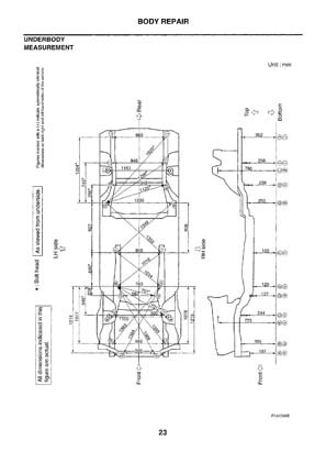
Контрольные кузовные размеры NISSAN X-Trail (T30) 2001-2007:
- Из заводского руководства по ремонту кузова Nissan X-Trail Body Repair Manual
, в том числе диагональные размеры проемов кузова и контрольные точки для восстановления геометрии кузова Ниссан Икс Трейл.
Файл Nissan_XTrail_T30_2001_plant.pdf

- Проекционные размеры кузова с привязкой к стапелю. Дополнительно приведены цветные фотографии мест расположения контрольных точек Ниссан Икс Трейл на реальном автомобиле.
Файл Nissan_XTrail_T30_2001_stapel.pdf

Обратите внимание: все файлы многостраничные.
В галереи товара представлены эскизы изображений уменьшенного объема.Покупателю высылаются PDF файлы исходного качества.