NISSAN Teana (J31) 2006-2008

750 руб.
Быстрый заказ

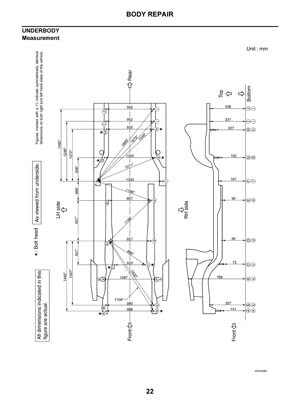
Контрольные кузовные размеры NISSAN Teana (J31):
- Из заводского руководства по ремонту кузова Nissan Teana Body Repair Manual, в том числе диагональные размеры проемов кузова и контрольные точки геометрии кузова Ниссан Теана.
Файл Nissan_Teana_J31_2006_plant.pdf

Обратите внимание: все файлы многостраничные.
В галереи товара представлены эскизы изображений уменьшенного объема.Покупателю высылаются PDF файлы исходного качества.