NISSAN Sentra (B16) 2006-2009-2012

750 руб.
Быстрый заказ

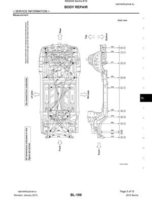
Контрольные кузовные размеры НИССАН Сентра в кузове B16 2006-2012 г.:
- Из заводского руководства по ремонту кузова, в том числе диагональные размеры проемов кузова.
Файл Sentra_B16_kuzov.pdf

- Размеры кузова автомобилей NISSAN Sentra (B16), как проекционные, так и непосредственного измерения, в том числе диагональные размеры проемов кузова.
Файл 2011_NISSAN_Sentra__4DR__Sedan.pdf

Обратите внимание: все файлы многостраничные.
В галереи товара представлены эскизы изображений уменьшенного объема.
Покупателю высылаются PDF файлы исходного качества.