NISSAN Sentra (B15) 1999-2006

750 руб.
Быстрый заказ

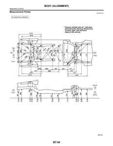
Контрольные кузовные размеры НИССАН Сентра в кузове B15 1999-2006 г.:
- Из заводского руководства по ремонту кузова, в том числе диагональные размеры проемов кузова.
Файл Nissan_Sentra_2001-brm.pdf

- Размеры кузова автомобилей NISSAN Sentra (B15)1999-2006, как проекционные, так и непосредственного измерения, в том числе диагональные размеры проемов кузова.
Файл 2003_NISSAN_Sentra__4DR__Sedan.pdf

Обратите внимание: все файлы многостраничные.
В галереи товара представлены эскизы изображений уменьшенного объема.
Покупателю высылаются PDF файлы исходного качества.