NISSAN Qashqai (J10) 2007-2009-2013

750 руб.
Быстрый заказ

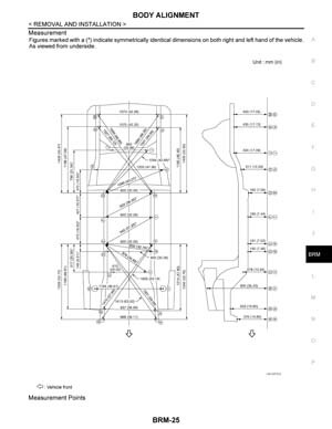
Контрольные кузовные размеры NISSAN Qashqai (J10) 2007-2009-2013:
- Из заводского руководства по ремонту кузова Nissan Qashqai Body Repair Manual, в том числе диагональные размеры проемов кузова и контрольные точки геометрии кузова Ниссан Кашкай.
Файл Nissan_Qashqai_J10_2007_plant.pdf

- Проекционные размеры с привязкой к стапелю. Дополнительно приведены цветные фотографии мест расположения контрольных точек Ниссан Кашкай на реальном автомобиле.
Файл Nissan_Qashqai_2007-_stapel.pdf

Обратите внимание: все файлы многостраничные.
В галереи товара представлены эскизы изображений уменьшенного объема.Покупателю высылаются PDF файлы исходного качества.