NISSAN Murano (Z51) 2008-2014

750 руб.
Быстрый заказ

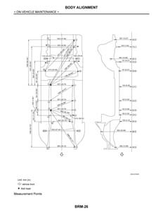
Контрольные кузовные размеры NISSAN Murano (Z51) 2008-2014:
- Из заводского руководства по ремонту кузова, в том числе диагональные размеры проемов кузова.
Файл Nissan_Murano_Z51_brmEU.pdf

- Размеры кузова, как проекционные, так и непосредственного измерения, в том числе диагональные размеры проемов кузова.
Файл 2009_NISSAN_Murano__4DR__AWD.pdf

Обратите внимание: все файлы многостраничные.
В галереи товара представлены эскизы изображений уменьшенного объема.
Покупателю высылаются PDF файлы исходного качества.