NISSAN Micra (K13) 2010-2019

750 руб.
Быстрый заказ

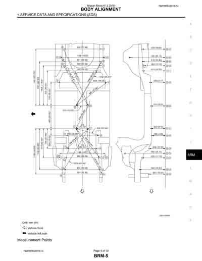
Контрольные кузовные размеры NISSAN Micra (K13) 2010-2019:
- Из заводского руководства по ремонту кузова NISSAN Micra (K13) Body Repair Manual, в том числе диагональные размеры проемов кузова и контрольные точки геометрии кузова Ниссан Микра.
Файл Nissan_Micra_K13_2010-kuzov.pdf

Обратите внимание: все файлы многостраничные.
В галереи товара представлены эскизы изображений уменьшенного объема.
Покупателю высылаются PDF файлы исходного качества.