NISSAN Micra (K11) 1993-2003

750 руб.
Быстрый заказ

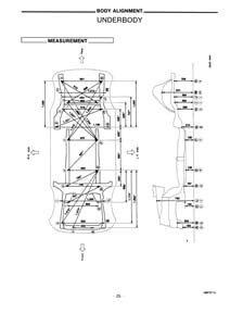
Контрольные кузовные размеры NISSAN Micra (K11) 1993-2003:
- Из заводского руководства по ремонту кузова, в том числе диагональные размеры проемов кузова.
Файл Nissan_Micra_K11_1993-brm.pdf

- Проекционные размеры с привязкой к стапелю.
Файлы
Nissan_Micra_3D_K11-stapel.PDF
Nissan_Micra_5D_K11_stapel.PDF

Обратите внимание: все файлы многостраничные.
В галереи товара представлены эскизы изображений уменьшенного объема.
Покупателю высылаются PDF файлы исходного качества.