NISSAN Maxima (A35) 2008-2014

750 руб.
Быстрый заказ

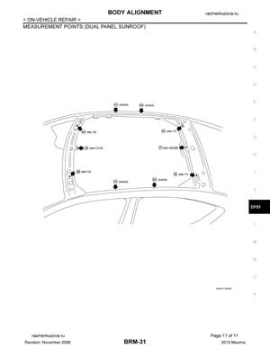
Контрольные кузовные размеры NISSAN Maxima (A35) 2008-2014:
- Из заводского руководства по ремонту кузова, в том числе диагональные размеры проемов кузова.
Файл Maxima_A35_2008-2014.pdf

Обратите внимание: все файлы многостраничные.
В галереи товара представлены эскизы изображений уменьшенного объема.
Покупателю высылаются PDF файлы исходного качества.