NISSAN Cube (Z12) 2008-2020

750 руб.
Быстрый заказ

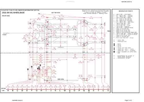
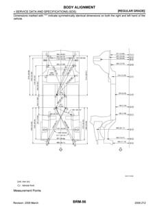
Контрольные кузовные размеры NISSAN Cube (Z12) 2008-2020:
- Из заводского руководства по ремонту кузова, в том числе диагональные размеры проемов кузова.
Файл Nissan_Cube_Z12_brm.pdf

- Размеры кузова NISSAN Cube (Z12) 2008--, как проекционные, так и непосредственного измерения, в том числе диагональные размеры проемов кузова.
Файлы
2009_NISSAN_Cube__Wagon.pdf
2014_NISSAN_Cube.pdf

Обратите внимание: все файлы многостраничные.
В галереи товара представлены эскизы изображений уменьшенного объема.
Покупателю высылаются PDF файлы исходного качества.