NISSAN Altima (L32) 2006-2013

750 руб.
Быстрый заказ

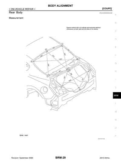
Контрольные кузовные размеры NISSAN Altima (L32) 2006-2013 для моделей в кузовах Седан и Купе:
- Из официального руководства по ремонту кузова, в том числе диагональные размеры проемов кузова.
Файлы
Altima_L32_Sedan_Kuzov.pdf
Altima_L32_Coup_Kuzov.pdf

-Полное руководство по кузовному ремонту 117стр. на английском языке, включающее изображения сечений кузова, места резки с способы сварки элементов.
Файл Nissan_Altima_L32_FullBRM2010.pdf

- Размеры кузова, как проекционные, так и непосредственного измерения, в том числе диагональные размеры проемов кузова.
Файлы
2010_NISSAN_Altima__Hybrid__4DR.pdf
2010_NISSAN_Altima__4DR__Sedan.pdf
2010_NISSAN_Altima__2DR.pdf
2013_NISSAN_Altima__2DR.pdf

Обратите внимание: все файлы многостраничные.
В галереи товара представлены эскизы изображений уменьшенного объема.
Покупателю высылаются PDF файлы исходного качества.