NISSAN Almera (N16) 2000-2006

750 руб.
Быстрый заказ

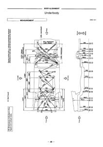
Контрольные кузовные размеры NISSAN Almera (N16) 2000-2006:
- Из заводского руководства по ремонту кузова Ниссан Алмера
, в том числе диагональные размеры проемов кузова.
Файлы
Nissan_Almera_N16_3D_4D_5D_2000-brm.pdf
Nissan_Almera_N16_2001-brm.pdf

- Проекционные размеры с привязкой к стапелю. Дополнительно приведены цветные фотографии мест расположения контрольных точек на реальном автомобиле.
Файлы
Nissan_Almera_N16_3D-stapel.PDF
Nissan_Almera_N16_5D-stapel.PDF
Nissan_Almera_N16_Sedan_stapel.PDF

Обратите внимание: все файлы многостраничные.
В галереи товара представлены эскизы изображений уменьшенного объема.
Покупателю высылаются PDF файлы исходного качества.