NISSAN Almera Classic (B10) 2006-2012

750 руб.
Быстрый заказ

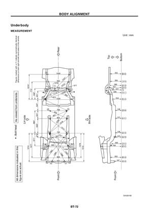
Контрольные кузовные размеры NISSAN Almera Classic (B10) 2006-2012:
- Из заводского руководства по ремонту кузова Nissan Almera Classic Body Repair Manual
, в том числе диагональные размеры проемов кузова и контрольные точки геометрии кузова Ниссан Алмера Классик.

Файл Nissan_Almera_Classic_B10_2006_plant.pdf

Обратите внимание: все файлы многостраничные.
В галереи товара представлены эскизы изображений уменьшенного объема.Покупателю высылаются PDF файлы исходного качества.