MITSUBISHI Pajero II 1991-1997-2004

750 руб.
Быстрый заказ

Контрольные кузовные размеры MITSUBISHI Pajero II 1997-2004 из официального руководства по ремонту кузова, в том числе диагональные размеры проемов кузова и точные места расположения контрольных точек.
Файл MITSUBISHI_Pajero_II_ 1997--.pdf

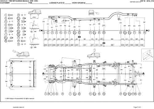
- Геометрические размеры кузова MITSUBISHI Montero II, как проекционные, так и непосредственного измерения, в том числе диагональные размеры проемов кузова и контрольные точки для восстановления геометрии кузова.
Файлы
1992_MITSUBISHI_Montero_4DR_4WD.pdf
1999_MITSUBISHI_Montero_4DR_4WD.pdf
1997_Mitsubishi_Montero.pdf

В галереи товара представлены эскизы изображений уменьшенного объема.
Покупателю высылаются PDF файлы исходного качества.