MERCEDES-BENZ E-Klasse (124) 1984-1997

750 руб.
Быстрый заказ

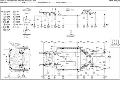
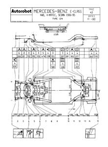
Контрольные кузовные размеры:
- Размеры кузова для автомобилей MERCEDES-BENZ E-Klasse (124) 1984–1997 Седан, Купе, Кабриолет и Универсал, как проекционные, так и непосредственного измерения, в том числе диагональные размеры проемов кузова.
Файлы
1990_MERCEDES-BENZ_300E__4DR__Sedan.pdf
1992_MERCEDES-BENZ_300TE__Wagon.pdf
1995_MERCEDES-BENZ_E320__2DR.pdf
1995_MERCEDES-BENZ_E320__4DR__Sedan.pdf
1995_MERCEDES-BENZ_E320__Convertible.pdf
1995_MERCEDES-BENZ_E320__Wagon.pdf

- Проекционные размеры с привязкой к стапелю.
Файлы
MBE_124_2D_Coupe_87-97.PDF
MBE_124_2D_Sedan_94-95_stapel.PDF
MBE_124_4D_4WD_Sedan_86-95.PDF
MBE_124_4D_Sedan_84-95.PDF
MBE_124_4D_Sedan_85-95_stapel.PDF
MBE_124_5D_Wagon_84-96.PDF
MBE_124_5D-4WD_Wagon_86-96.PDF

Обратите внимание: все файлы многостраничные.
В галереи товара представлены эскизы изображений уменьшенного объема.
Покупателю высылаются PDF файлы исходного качества.