LAND ROVER Discovery 3 LR3 (L319) 2004-2009

750 руб.
Быстрый заказ

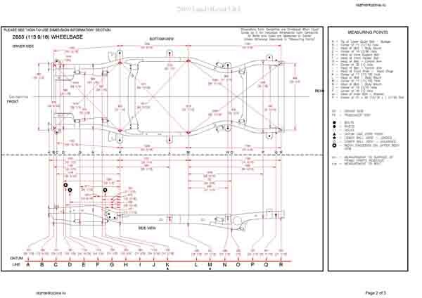
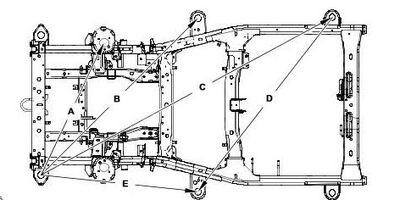
Контрольные кузовные размеры:
- Геометрические размеры кузова LAND ROVER Discovery 3 2004-2009, как проекционные, так и непосредственного измерения, в том числе диагональные размеры проемов кузова и контрольные точки для восстановления геометрии.
Файлы
2009_LAND_ROVER_LR3.pdf
2007_LAND__ROVER_LR3__4DR__AWD.pdf

-из заводского руководства по ремонту кузова LAND ROVER Discovery 3, в том числе размеры проемов кузова. Дополнительно приведены сведения о допустимых зазорах кузовных панелей.
Файл LAND_ROVER_Discovery_3_LR3_(L319)_2004-2009.pdf

Обратите внимание: все файлы многостраничные.
В галереи товара представлены эскизы изображений уменьшенного объема.
Покупателю высылаются PDF файлы исходного качества.