INFINITI QX70 (S51) 2013-2017

750 руб.
Быстрый заказ

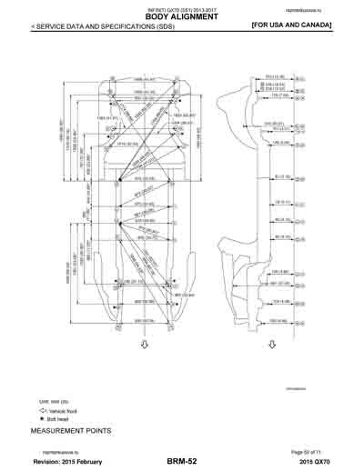
Контрольные кузовные размеры:
- Из официального руководства по ремонту кузова INFINITI QX70 (S51) 2013-2017, в том числе диагональные размеры проемов.
Файлы
INFINITI_QX70_(S51)_2013-2017_BRM_USA_Canada.pdf
INFINITI_QX70_(S51)_2013-2017_BRM_Mexico.pdf

-Полное руководство по кузовному ремонту содержит 71 стр. на английском языке, включающее изображения сечений кузова, места резки с способы сварки элементов.
Файл INFINITI_QX70_(S51)_2013-2017_Full_BRM.pdf

Обратите внимание: все файлы многостраничные.
В галереи товара представлены эскизы изображений уменьшенного объема.
Покупателю высылаются PDF файлы исходного качества.