INFINITI QX50 (J50) 2013-2017

750 руб.
Быстрый заказ

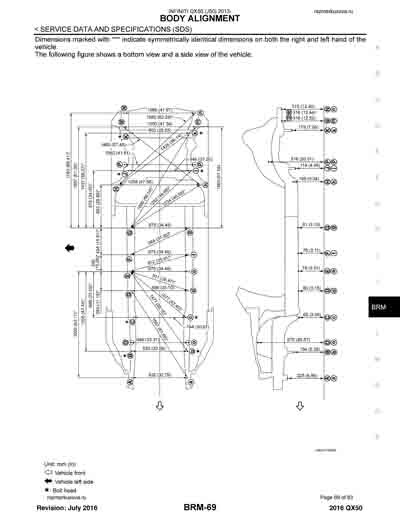
Контрольные кузовные размеры:
- Из официального руководства по ремонту кузова INFINITI QX50 (J50) 2013-2017, в том числе диагональные размеры проемов.
Файл INFINITI_QX50_2013-BRM.pdf

-Полное руководство по кузовному ремонту. 83 стр. на английском языке, включающее изображения сечений кузова, места резки с способы сварки элементов.
Файл INFINITI_QX50_2013-Full_BRM_2016.pdf

Обратите внимание: все файлы многостраничные.
В галереи товара представлены эскизы изображений уменьшенного объема.
Покупателю высылаются PDF файлы исходного качества.