INFINITI Q45 (F50) 2002-2006

750 руб.
Быстрый заказ

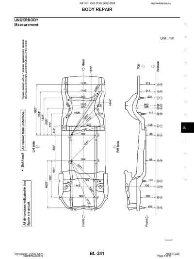
Контрольные кузовные размеры:
- Из официального руководства по ремонту кузова INFINITI Q45 (F50) 2002-2006, в том числе диагональные размеры проемов.
Файл INFINITI_Q45_(F50)_2002-2006_Body_Dim.pdf

-Геометрические размеры как проекционные, так и непосредственного измерения, в том числе диагональные размеры проемов кузова.
Файл 2002_INFINITI_Q45__4DR__Sedan.pdf

-Полное руководство по кузовному ремонту 50 стр. на английском языке, включающее изображения сечений кузова, места резки с способы сварки элементов.
Файл INFINITI_Q45_(F50)_2002-2006_Full_BRM.pdf

Обратите внимание: все файлы многостраничные.
В галереи товара представлены эскизы изображений уменьшенного объема.
Покупателю высылаются PDF файлы исходного качества.