INFINITI Q40 (V36) 2014-2015

750 руб.
Быстрый заказ

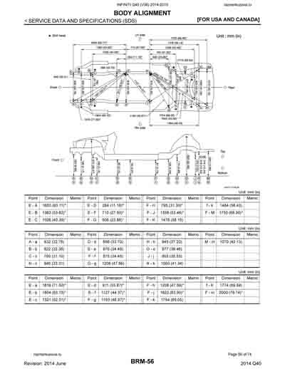
Контрольные кузовные размеры:
- Из официального руководства по ремонту кузова INFINITI Q40 (V36) 2014-2015, в том числе диагональные размеры проемов.
Файлы
INFINITI_Q40_(V36)_2014-2015_BRM_USA_Canada.pdf
INFINITI_Q40_(V36)_2014-2015_BRM_Mexico.pdf

-Полное руководство по кузовному ремонту. 74 стр. на английском языке, включающее изображения сечений кузова, места резки с способы сварки элементов.
Файл INFINITI_Q40_(V36)_2014-2015_Full_BRM.pdf

Обратите внимание: все файлы многостраничные.
В галереи товара представлены эскизы изображений уменьшенного объема.
Покупателю высылаются PDF файлы исходного качества.