INFINITI I35 (A33) 2001-2004

750 руб.
Быстрый заказ

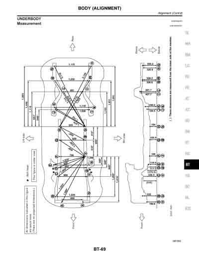
Контрольные кузовные размеры:
- Из официального руководства по ремонту кузова INFINITI I35 (A33) 2001–2004 (Только моторный отсек и днище)
Файл INFINITI_I35_(A33)_2001-2004_Body-DIM.pdf

-Геометрические размеры , как проекционные, так и непосредственного измерения, в том числе диагональные размеры проемов кузова.
Файл 2002_INFINITI_I35__4DR__Sedan.pdf

-Руководство по разборке сборке салона и снятию элементов кузова 74 стр. на английском языке.
Файл INFINITI_I35_(A33)_2001-2004_Body--Trim.pdf

Обратите внимание: все файлы многостраничные.
В галереи товара представлены эскизы изображений уменьшенного объема.
Покупателю высылаются PDF файлы исходного качества.