INFINITI G20 (P11) 1999-2002

750 руб.
Быстрый заказ

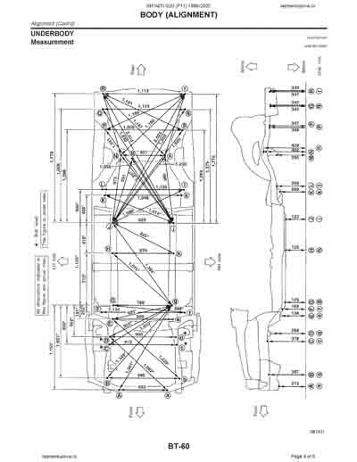
Контрольные кузовные размеры:
- Из официального руководства по ремонту кузова INFINITI G20 (P11) 1999-2002, в том числе диагональные размеры проемов.(Только четыре листа без диагональных размеров)
Файл INFINITI_G20_(P11)_1999-2002_Body-Dim.pdf

-Геометрические размеры, как проекционные, так и непосредственного измерения, в том числе диагональные размеры проемов кузова.
Файл 2002_INFINITI_G20__4DR__Sedan.pdf

-Руководство по разборке сборке салона и снятию элементов кузова 67стр. на английском языке.
Файл INFINITI_G20_(P11)_1999-2002_Body-Trim.pdf

Обратите внимание: все файлы многостраничные.
В галереи товара представлены эскизы изображений уменьшенного объема.
Покупателю высылаются PDF файлы исходного качества.