DODGE Charger (LX) 2005-2010

750 руб.
Быстрый заказ

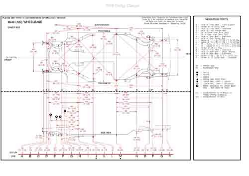
Контрольные кузовные размеры:
- Геометрические размеры кузова DODGE Charger (LX) 2005-2010, как проекционные, так и непосредственного измерения, в том числе диагональные размеры проемов кузова и контрольные точки для восстановления геометрии кузова.
Файлы
2006_DODGE_Charger__4DR__Sedan_2WD.pdf
2008_Dodge_Charger.pdf
2010_DODGE_Charger__4DR__Sedan_2WD.pdf

Обратите внимание: все файлы многостраничные.
В галереи товара представлены эскизы изображений уменьшенного объема.
Покупателю высылаются PDF файлы исходного качества.