CHRYSLER 300C (LX2) 2015-2023

750 руб.
Быстрый заказ

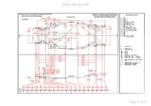
Контрольные кузовные размеры:
- Геометрические размеры кузова CHRYSLER 300C (LX2) 2015-2023, как проекционные, так и непосредственного измерения, в том числе диагональные размеры проемов кузова и контрольные точки для восстановления геометрии кузова.
Файл 2018_Chrysler_300.pdf

Обратите внимание: все файлы многостраничные.
В галереи товара представлены эскизы изображений уменьшенного объема.
Покупателю высылаются PDF файлы исходного качества.