CHEVROLET Trax 2016-2022

750 руб.
Быстрый заказ

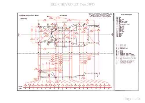
Контрольные кузовные размеры из официального руководства по ремонту кузова CHEVROLET Trax 2017-2022, в том числе диагональные размеры проемов кузова.
Файл Chevrolet_Trax_2021.pdf

- Геометрические размеры кузова CHEVROLET Trax 2017-2022, как проекционные, так и непосредственного измерения, в том числе диагональные размеры проемов кузова и контрольные точки для восстановления геометрии кузова.
Файлы
2020_CHEVROLET_Trax_AWD.pdf
2020_CHEVROLET_Trax_2WD.pdf

Обратите внимание: все файлы многостраничные.
В галереи товара представлены эскизы изображений уменьшенного объема.
Покупателю высылаются PDF файлы исходного качества.