CHEVROLET Silverado (GMT900) 2007-2013

750 руб.
Быстрый заказ

Контрольные кузовные размеры:
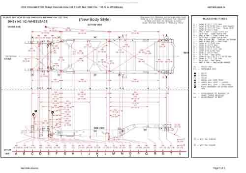
- Геометрические размеры кузова CHEVROLET Silverado (GMT900) 2007-2013, как проекционные, так и непосредственного измерения, в том числе диагональные размеры проемов кузова и контрольные точки для восстановления геометрии кузова.
Файлы
2009_Chevrolet_K1500_Pickup_Silverado_Crew_Cab_5_34_ft._Bed_(3645_mm_-_143_12_in._Wheelbase).pdf
2012_CHEVROLET_Silverado__1500_Extended_Cab_6.5ft_Bed_4WD_.pdf
2012_CHEVROLET_Silverado__1500_Extended_Cab_8ft_Bed_2WD_.pdf
2009_CHEVROLET_Silverado_1500_Pickup_6.5_ft_Bed.pdf
2009_CHEVROLET_Silverado_1500_Pickup_8ft_Bed.pdf

Обратите внимание: все файлы многостраничные.
В галереи товара представлены эскизы изображений уменьшенного объема.
Покупателю высылаются PDF файлы исходного качества.