AUDI A4 (B5 8D) 1994-1999-2001

750 руб.
Быстрый заказ

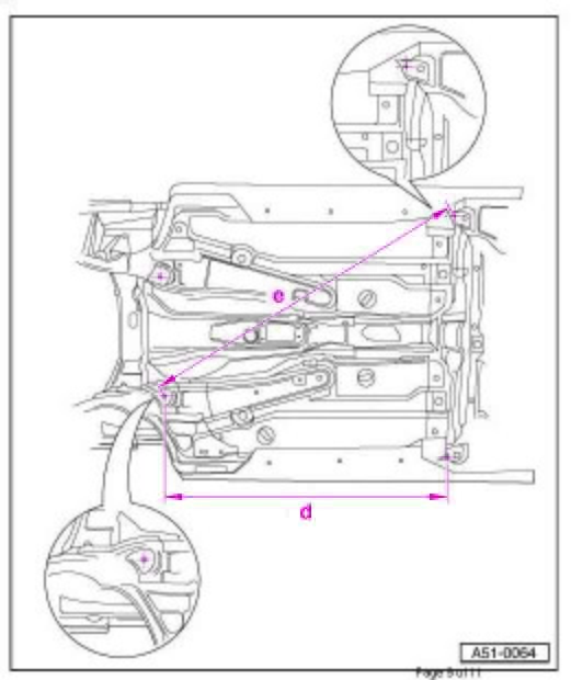
Контрольные кузовные размеры:
- Из заводского руководства по ремонту кузова AUDI A4 (B5/8D) 1994-1999-2001, в том числе размеры проемов. Даны размеры для вариантов исполнения Sedan, Avant, quattro
. Дополнительно приведены величины допустимых зазоров кузовных панелей.
Производитель предупреждает: "Все размеры используются только для проверки; точные
размеры задаются стапелем." Обратите внимание на миниатюры - изготовитель предоставил не очень полные данные по размерам.

Файлы
AUDI_A4_(B5_8D)_1994-1999-2001_kuzov.pdf
AUDI_A4_(B5_8D)_1994-1999-2001_zazor.pdf

- Геометрические размеры кузова AUDI A4 (B5 8D) 1994-1999-2001, как проекционные, так и непосредственного измерения, в том числе диагональные размеры проемов кузова и контрольные точки для восстановления геометрии кузова.
Файлы
1999_AUDI_A4__4DR__Sedan__2WD.pdf
1999_AUDI_A4__Avant__Quattro__Wagon.pdf
1999_AUDI_A4__Quattro__4DR__Sedan.pdf

Обратите внимание: все файлы многостраничные.
В галереи товара представлены эскизы изображений уменьшенного объема.
Покупателю высылаются PDF файлы исходного качества.