AUDI A3 (8P) 2003-2005-2013

750 руб.
Быстрый заказ

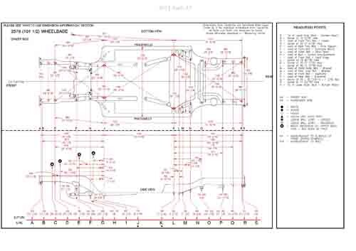
Контрольные кузовные размеры:
- Из заводского руководства по ремонту кузова AUDI A3 (8P) 2003-2005-2013, в том числе размеры проемов кузова. Дополнительно даны сведения о допустимых зазорах кузовных панелей Ауди А3.
Производитель предупреждает: "Все размеры используются только для проверки; точные
размеры задаются стапелем."

Файлы
A3_2003-2012-kuzov.pdf
A3_2003-2012-zazor.pdf

- Проекционные геометрические размеры кузовас привязкой к стапелю.
Файлы
A3_2-DOOR_CABRIOLET_TYPE_8P_2008-stapel.PDF
A3_3-DOOR_HATCHBACK_TYPE_8D_2003-stapel.PDF
A3_5-DOOR_SPORTBACK_TYPE_8P_2004-stapel.PDF

- Геометрические размеры кузова  AUDI A3, как проекционные, так и непосредственного измерения, в том числе диагональные размеры проемов и контрольные точки для восстановления геометрии кузова.
Файлы
2009_AUDI_A3__Quattro__4DR__Hatch_USA.pdf
2010_AUDI_A3__4DR__Hatchback__2WD_USA.pdf
2012_Audi_A3.pdf

Обратите внимание: все файлы многостраничные.
В галереи товара представлены эскизы изображений уменьшенного объема.
Покупателю высылаются PDF файлы исходного качества.