ACURA ZDX (YB1) 2009-2013

750 руб.
Быстрый заказ

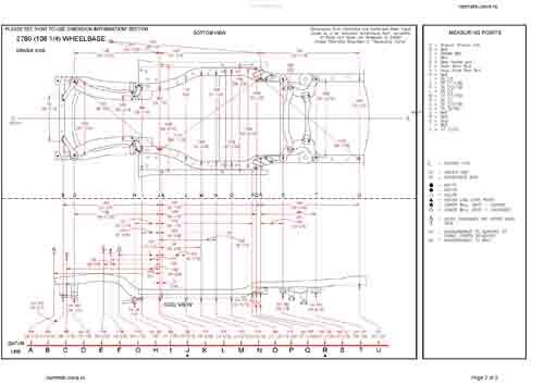
Контрольные кузовные размеры:
- Геометрические размеры кузова ACURA ZDX (YB1) 2009-2013, как проекционные, так и непосредственного измерения, в том числе диагональные размеры проемов кузова и контрольные точки для восстановления геометрии кузова Акура ZDX.
Файлы
2013_ACURA_ZDX__4DR__Hatchback_.pdf
2011_Acura_ZDX.pdf

Обратите внимание: все файлы многостраничные.
В галереи товара представлены эскизы изображений уменьшенного объема.
Покупателю высылаются PDF файлы исходного качества.